Per una descrizione dettagliata del montaggio, dello smontaggio e del collegamento del modulo, consultare le istruzioni di installazione di ⮫ .
I moduli sono inseriti in un'unità terminale di I/O.
Posizionare correttamente i moduli e premere finché non si bloccano in posizione. Le unità terminali si montano su guida DIN o con 2 viti più l'accessorio aggiuntivo per il montaggio a parete.
⮫ «TA526 - Accessorio per il montaggio a parete»
Il collegamento dei canali di I/O viene effettuato utilizzando i 40 terminali dell'unità terminale I/O. I moduli I/O possono essere sostituiti senza dover ricablare le unità terminali.
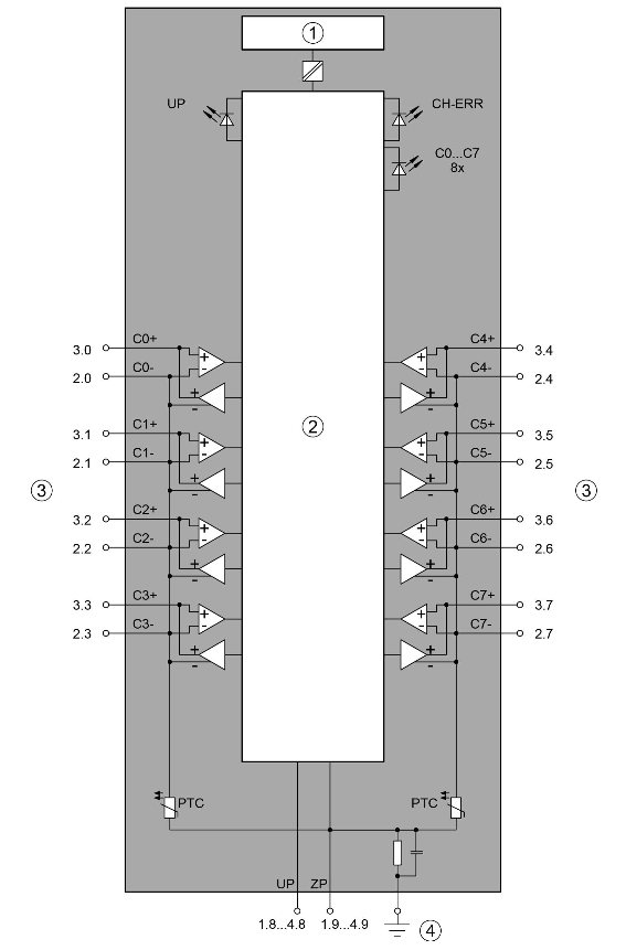
I morsetti 1.8, 2.8, 3.8 e 4.8 e 1.9, 2.9, 3.9 e 4.9 sono interconnessi elettricamente all'interno delle unità terminali I/O e hanno sempre la stessa assegnazione, indipendentemente dal modulo inserito:
Morsetti 1.8, 2.8, 3.8 e 4.8: tensione di processo UP = +24 V DC
Morsetti 1.9, 2.9, 3.9 e 4.9: tensione di processo ZP = 0 V DC
L'assegnazione degli altri terminali:
|
Terminali |
Segnale |
Descrizione |
|---|---|---|
|
1.0 ... 1.7 |
Non utilizzato |
Non utilizzato |
|
2.0 ... 2.7 |
C0- ... C7- |
Poli negativi degli 8 ingressi/uscite analogici |
|
3.0 ... 3.7 |
C0+ ... C7+ |
Poli positivi degli ingressi/uscite analogiche |
|
4.0 ... 4.7 |
Non utilizzato |
Non utilizzato |

- 1
-
Interfaccia bus I/O
- 2
-
Logica
- 3
-
Ingressi/uscite analogiche
- 4
-
Collegamento a terra funzionale
I poli negativi degli ingressi analogici sono collegati tra loro per formare un segnale di "terra analogica" per il modulo.
I poli negativi delle uscite analogiche sono collegati tra loro per formare un segnale di "terra analogica" per il modulo.
Non c'è isolamento galvanico tra il circuito analogico e lo ZP/UP. Pertanto, i sensori analogici devono essere isolati galvanicamente per evitare loop attraverso il potenziale di terra o la tensione di alimentazione.
A causa del loro potenziale di riferimento comune, gli ingressi analogici in corrente non possono essere collegati in serie, né all'interno del modulo né con i canali di altri moduli.
Per il rilevamento di circuito aperto (interruzione), ogni canale di ingresso analogico viene portato su "più" da una resistenza ad alta impedenza. Se non è collegato nulla, verrà letta la tensione massima.
La tensione di alimentazione interna per i circuiti del modulo avviene tramite il bus I/O (fornito da un modulo di interfaccia di comunicazione o da una CPU). Pertanto, l'assorbimento di corrente dall'alimentazione a 24 V CC ai terminali L+/UP e M/ZP del modulo CPU/interfaccia di comunicazione aumenta di 2 mA per ogni modulo I/O. Il collegamento dell'alimentazione esterna avviene tramite i terminali UP (+24 V CC) e ZP (0 V CC).




AVVERTIMENTO

Rimozione/Inserzione sotto tensione
Le operazioni di rimozione o inserzione sotto tensione sono consentite solo se sono soddisfatte tutte le condizioni per la sostituzione a caldo.
⮫ «Sostituzione di un modulo I/O con hot swap»
I dispositivi non sono concepiti per la rimozione o l’inserzione sotto tensione in assenza delle condizioni per la sostituzione a caldo. Per via delle imprevedibili conseguenze, non è consentito collegare o scollegare i dispositivi con l'alimentazione attivata.
Assicurarsi che tutte le fonti di tensione (tensione di alimentazione e di processo) siano spente prima di eseguire una qualsiasi delle seguenti azioni:
-
Collegare o scollegare qualsiasi segnale o blocco morsetti
-
Rimuovere, montare o sostituire un modulo.
Lo scollegamento di qualsiasi dispositivo mentre è sotto tensione in un’area pericolosa potrebbe provocare un arco elettrico in grado di creare una fonte di innesco con conseguente incendio o esplosione.
Prima di procedere, assicurarsi che il dispositivo sia stato scollegato e che l’area sia stata accuratamente controllata per garantire che non siano presenti materiali infiammabili.
I dispositivi non devono essere aperti quando sono in funzione. Lo stesso dicasi per le interfacce di rete.




AVVISO

Rischio di danni ai moduli PLC!
Sovratensioni e cortocircuiti possono danneggiare i moduli PLC.
-
Prima di iniziare gli interventi sul sistema, assicurarsi che tutte le fonti di tensione (tensione di alimentazione e tensione di alimentazione di processo) siano disinserite.
-
Non collegare mai tensioni o segnali ai morsetti riservati (contrassegnati con ---). I morsetti riservati possono portare tensioni interne.
Generalmente i segnali analogici devono essere posati in cavi schermati. Le schermature dei cavi devono essere messe a terra su entrambi i lati dei cavi. Per evitare differenze di potenziale inaccettabili tra le diverse parti dell'impianto, è necessario posare conduttori di collegamento equipotenziale a bassa resistenza.
La tensione di processo deve essere inclusa nel concetto di messa a terra del sistema di controllo (ad es. messa a terra del polo negativo).
Installando conduttori equipotenziali tra le diverse parti del sistema, si deve fare in modo che la differenza di potenziale tra ZP e AGND non superi mai 1 V.
-
Collegamento di termometri a resistenza in configurazione a 2 fili
-
Collegamento di termometri a resistenza in configurazione a 3 fili
-
Collegamento di sensori analogici di tipo attivo (tensione) con alimentazione isolata galvanicamente
-
Collegamento di sensori analogici di tipo attivo (corrente) con alimentazione isolata galvanicamente
-
Collegamento di sensori analogici di tipo attivo (tensione) senza alimentazione galvanica
-
Collegamento di sensori analogici di tipo passivo (corrente)
-
Collegamento di sensori analogici di tipo attivo (tensione) agli ingressi differenziali
-
Utilizzo degli ingressi analogici come ingressi digitali
-
Collegamento di carichi di uscita analogici (tensione, corrente)