Scopo previsto
Le morsettiere rimovibili sono utilizzate per l'alimentazione e per i connettori di I/O sui moduli processore AC500-eCo PM50x2.
Per le schede opzionali sono disponibili diverse morsettiere rimovibili in versione a molla.
Per AC500-eCoCPU di basevengono utilizzati un morsetto a 3 pin per l'alimentazione e un morsetto a 13 pin per i connettori I/O.
Per AC500-eCoCPU standardeCPU Provengono utilizzati un morsetto a 3 pin per l'alimentazione, un morsetto a 13 pin e un morsetto a 12 pin per i connettori I/O.
Per tutte le CPU sono disponibili una variante a vite e una a molla.
|
CPU base |
CPU Standard e Pro |
||
|---|---|---|---|
|
Morsetto a molla TA5211-TSPF-B |
Morsetto a vite TA5211-TSCL-B |
Morsetto a molla TA5212-TSPF |
Morsetto a vite TA5212-TSCL |
![]() |
![]() |
![]() |
![]() |
Per le schede opzionali sono disponibili diversi connettori a molla rimovibili.
Sono disponibili le seguenti parti di ricambio (a seconda del numero di pin).
|
Morsetti a molla |
|||
|---|---|---|---|
|
TA5220-SPF5 |
TA5220-SPF6 |
TA5220-SPF7 |
TA5220-SPF8 |
![]() |
![]() |
![]() |
![]() |




ATTENZIONE

Rischio di lesioni e danni al prodotto!
Un'installazione e una manutenzione non corrette potrebbero provocare lesioni, nonché danneggiare il prodotto!
-
Tali operazioni devono essere eseguite in conformità alle regole tecniche, ai codici e agli standard pertinenti, ad esempio EN 60204-1,
-
Prima del collegamento, leggere attentamente la documentazione. Un cablaggio improprio o un blocco morsetti sbagliato in provenienza da altri dispositivi possono danneggiare il prodotto.
-
solo da personale qualificato




ATTENZIONE

Quando si usano blocchi morsetti non approvati, vi è il rischio di lesioni e di danni al modulo.
Per evitare lesioni e danni al modulo usare solo blocchi morsetti approvati da ABB.
Blocco morsetti per PM50x2
Blocco morsetti per PM50x2
I moduli processore CPU PM50x2 non hanno in dotazione i blocchi morsetti.
Set di connettori a vite:
-
TA5211-TSCL-B (1SAP187400R0001) per PM5012-x-ETH
-
TA5212-TSCL (1SAP187400R0004) per PM5032-x-ETH, PM5052-x-ETH, PM5072-T-2ETH(W), PM5082-T-2ETH, PM5092-T-2ETH
Set di connettori a molla:
-
TA5211-TSPF-B (1SAP187400R0002) per PM5012-x-ETH
-
TA5212-TSPF (1SAP187400R0005) per PM5032-x-ETH, PM5052-x-ETH, PM5072-T-2ETH(W), PM5082-T-2ETH, PM5092-T-2ETH
Dimensioni
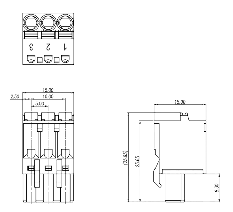
Morsettiera a 3 pin per l'alimentazione
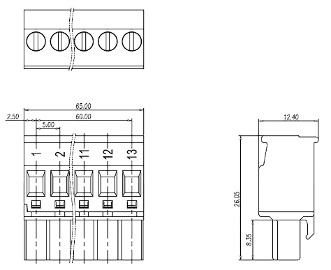
Morsettiera a 13 pin per i connettori di I/O
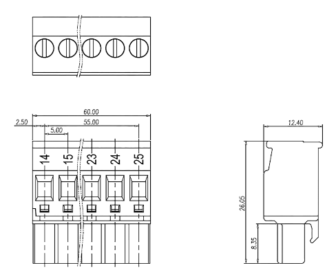
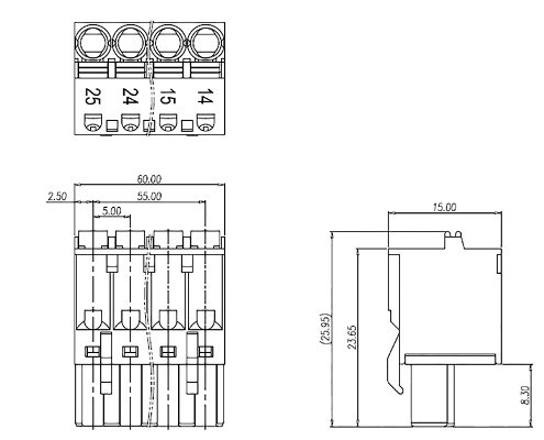
Morsettiera a 12 pin per i connettori di I/O
Morsettiere x-PIN per schede opzionali
Per le schede opzionali sono disponibili solo questi blocchi morsetti a x pin.
TA5220-SPFx, con x = 5 ... 8
Ne risultano queste dimensioni per i connettori a molla disponibili.
|
Descrizione |
Pin |
Lunghezza [mm] |
Larghezza [mm] |
Altezza [mm] |
|---|---|---|---|---|
|
TA5220-SPF5 |
5 |
18,2 |
7,7 |
22,9 |
|
TA5220-SPF6 |
6 |
21,7 |
7,7 |
22,9 |
|
TA5220-SPF7 |
7 |
25,2 |
7,7 |
22,9 |
|
TA5220-SPF8 |
8 |
28,7 |
7,7 |
22,9 |
Dati tecnici
|
Parametro |
Valore |
|
|---|---|---|
|
Tipo |
||
|
TA5211-TSCL-B |
Morsettiera a 3 pin rimovibile: vite lato anteriore/cavo passo 5,00 mm |
|
|
TA5212-TSCL |
||
|
Utilizzo |
Alimentazione per i moduli processore AC500-eCo |
|
|
Sezione del conduttore |
||
|
Solido (rame) |
0,5 mm²... 2,5 mm² |
|
|
Flessibile (rame) |
0,5 mm²... 2,5 mm² |
|
|
Estremità del conduttore spellata |
7 mm |
|
|
Coppia di fissaggio |
0,5 Nm |
|
|
Dimensioni |
||
|
Morsettiera a 3 pin |
15 mm x 12,4 mm x 26,05 mm |
|
|
Peso |
||
|
TA5211-TSCL-B |
150 g (2 morsettiere) |
|
|
TA5212-TSCL |
200 g (3 morsetti) |
|
|
Parametro |
Valore |
|
|---|---|---|
|
Tipo |
||
|
TA5211-TSPF-B |
Morsettiera a 3 pin rimovibile: molla anteriore/cavo anteriore passo 5,00 mm |
|
|
TA5212-TSPF |
||
|
Utilizzo |
Alimentazione per i moduli processore AC500-eCo |
|
|
Sezione del conduttore |
||
|
Solido (rame) |
0,5 mm²... 2,5 mm² |
|
|
Flessibile (rame) |
0,5 mm²... 2,5 mm² |
|
|
Estremità del conduttore spellata |
11 mm |
|
|
Dimensioni |
||
|
Morsettiera a 3 pin |
15 mm x 15 mm x 25,95 mm |
|
|
Peso |
||
|
TA5211-TSPF-B |
150 g (2 morsettiere) |
|
|
TA5212-TSPF |
200 g (3 morsetti) |
|
|
Parametro |
Valore |
|
|---|---|---|
|
Tipo |
||
|
TA5211-TSCL-B |
Morsettiera rimovibile a 13 pin: vite lato anteriore/cavo passo 5,00 mm |
|
|
TA5212-TSCL |
Morsettiera rimovibile a 13 e 12 pin: vite lato anteriore/cavo passo 5,00 mm |
|
|
Utilizzo |
I/O integrati per i moduli processore AC500-eCo |
|
|
Sezione del conduttore |
||
|
Solido (rame) |
0,5 mm²... 2,5 mm² |
|
|
Flessibile (rame) |
0,5 mm²... 2,5 mm² |
|
|
Estremità del conduttore spellata |
7 mm |
|
|
Coppia di fissaggio |
0,5 Nm |
|
|
Dimensioni |
||
|
Morsettiera a 13 pin |
65 mm x 12,4 mm x 26,05 mm |
|
|
Morsettiera a 12 pin |
60 mm x 12,4 mm x 26,05 mm |
|
|
Peso |
||
|
TA5211-TSCL-B |
150 g (2 morsettiere) |
|
|
TA5212-TSCL |
200 g (3 morsetti) |
|
|
Parametro |
Valore |
|
|---|---|---|
|
Tipo |
||
|
TA5211-TSPF-B |
Morsettiera rimovibile a 13 pin: molla anteriore/cavo anteriore passo 5,00 mm |
|
|
TA5212-TSPF |
Morsettiera rimovibile a 13 e 12 pin: molla anteriore/cavo anteriore passo 5,00 mm |
|
|
Utilizzo |
I/O integrati per i moduli processore AC500-eCo |
|
|
Sezione del conduttore |
||
|
Solido (rame) |
0,5 mm²... 2,5 mm² |
|
|
Flessibile (rame) |
0,5 mm²... 2,5 mm² |
|
|
Estremità del conduttore spellata |
11 mm |
|
|
Dimensioni |
||
|
Morsettiera a 13 pin |
65 mm x 15 mm x 25,95 mm |
|
|
Morsettiera a 12 pin |
60 mm x 15 mm x 25,95 mm |
|
|
Peso |
||
|
TA5211-TSPF-B |
150 g (2 morsettiere) |
|
|
TA5212-TSPF |
200 g (3 morsetti) |
|
|
Parametro |
Valore |
|
|---|---|---|
|
Tipo |
||
|
TA5220-SPF5 |
Morsettiera rimovibile a 5 pin: molla anteriore, cavo anteriore passo 3,50 mm |
|
|
TA5220-SPF6 |
Morsettiera rimovibile a 6 pin: molla anteriore, cavo anteriore passo 3,50 mm |
|
|
TA5220-SPF7 |
Morsettiera rimovibile a 7 pin: molla anteriore, cavo anteriore passo 3,50 mm |
|
|
TA5220-SPF8 |
Morsettiera a 8 pin rimovibile: molla anteriore, cavo anteriore passo 3,50 mm |
|
|
Utilizzo |
Connettori per le schede opzionali AC500-eCo |
|
|
Sezione del conduttore |
||
|
Solido (rame) |
0,2 mm²... 1,5 mm² |
|
|
Flessibile (rame) |
0,2 mm²... 1,5 mm² |
|
|
Estremità del conduttore spellata |
8 mm ... 10 mm |
|
|
Dimensioni |
||
|
TA5220-SPF5 |
18,2 mm x 7,7 mm x 22,9 mm |
|
|
TA5220-SPF6 |
21,7 mm x 7,7 mm x 22,9 mm |
|
|
TA5220-SPF7 |
25,2 mm x 7,7 mm x 22,9 mm |
|
|
TA5220-SPF8 |
28,7 mm x 7,7 mm x 22,9 mm |
|
|
Peso |
||
|
TA5220-SPF5 |
150 g |
|
|
TA5220-SPF6 |
170 g |
|
|
TA5220-SPF7 |
180 g |
|
|
TA5220-SPF8 |
200 g |
|
Dati per l'ordine
|
N. di parte |
Descrizione |
|---|---|
|
1SAP 187 400 R0001 |
TA5211-TSCL-B: set di morsettiere a vite per AC500-eCo CPU Basic vite anteriore, lato cavo passo 5,00 mm
|
|
1SAP 187 400 R0002 |
TA5211-TSPF-B: set di morsettiere a molla per AC500-eCo CPU Basic molla anteriore, cavo anteriore passo 5,00 mm
|
|
N. di parte |
Descrizione |
|---|---|
|
1SAP 187 400 R0004 |
TA5212-TSCL: set di morsettiere a vite per CPU AC500-eCo Standard e Pro vite anteriore, lato cavo passo 5,00 mm
|
|
1SAP 187 400 R0005 |
TA5212-TSPF: set di morsettiere a molla per AC500-eCo Standard e Pro CPU molla anteriore, cavo anteriore passo 5,00 mm
|
|
N. di parte |
Descrizione |
|---|---|
|
1SAP 187 400 R0012 |
TA5220-SPF5: morsettiera a molla, rimovibile, a 5 pin, fronte molla, fronte cavo, 6 pezzi per unità di imballaggio |
|
1SAP 187 400 R0013 |
TA5220-SPF6: morsettiera a molla, rimovibile, a 6 pin, fronte molla, fronte cavo, 6 pezzi per unità di imballaggio |
|
1SAP 187 400 R0014 |
TA5220-SPF7: morsettiera a molla, rimovibile, a 7 pin, fronte molla, fronte cavo, 6 pezzi per unità di imballaggio |
|
1SAP 187 400 R0015 |
TA5220-SPF8: morsettiera a molla, rimovibile, a 8 pin, fronte molla, fronte cavo, 6 pezzi per unità di imballaggio |
















